+ Car Zone +
 아이디
 P/W   
 
여러분이 만들어 가는 공간이니만큼 상업적 게시물과 특정 사이트
홍보등의 글은 지양해 주시기 바랍니다.
  날짜 : 2026 년 04 월 05 일
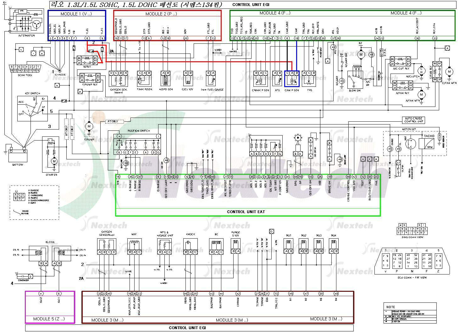
리오배선도 시멘스 134핀 차량
   작성자 : 알파카정비 글번호 : 18    조회수 : 347   

기아 리오 차량은 1.3/1.5L SOHC와 1.5L DOHC 차량이 있는데
전부 동일하며,
다만 1.5L DOHC는 캠 시그널이 핀 타입이 아니고
반달타입인 것만 다릅니다.
(미국 수출을 위해 반달타입으로 하였음)


첨부파일 : 08_배선도_리오_캠센서.jpg
  배선도 스포티지2.0L DOHC
  전차종 컨넥트 위치


 관련글 : 없음 게시일 : 2004-01-13 15:42